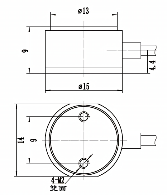
column sensor
柱式傳感器

Application應用範圍
1.3C digital detection
2.Booster device
3.Manipulator
1.3C數位檢測
2.助力裝置
3.機械手臂
Product Reviews產品介紹
Characteristic:
It has the advantages of bi-directional tension and compression, compact structure, high comprehensive precision, good long-term stability and nickel plating on the surface of high-quality alloy steel.
特性:
具有雙向拉壓、結構緊湊、綜合精度高、長期穩定性佳、優質合金鋼表面鍍鎳等優點。
Application fields:
Automobile press Ptting, automatic assembly, 3C product testing, new energy product assembly, medical testing, robotics, mold assembly and other industrial testing, automation equipment and testing Pelds.
應用領域:
汽車壓裝、自動化組裝、3C產品測試、新能源產品組裝、醫療檢測、機器人領域、模具組裝及其它工業測試、自動化設備領域和測試領域。
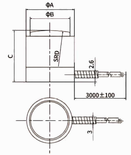
TTM-Z100
External Dimension外形尺寸
| Capacity(N) |
| 10 15 20 30 50 100 |
Parameters Table參數表
| Capacity量程 | 0-100N | Material材質 | Stainless steel不鏽鋼 |
| Rated Output輸出靈敏度 | 2.0±0.05%mV/V | Impedance阻抗 | 350Ω |
| Zero Balance零點輸出 | ±2%F.S. | Insulation絕緣電阻 | ≧5000MΩ/100VDC |
| Non-Linearity非線性 | 0.05%F.S. | Working voltage使用電壓 | 5-10V |
| Hysteresis滯後 | 0.05%F.S. | Operating Temp Range工作溫度範圍 | -20-80℃ |
| Repeatability重複性 | 0.05%F.S. | Safe Overload安全過載 | 150% |
| Creep(30min)蠕變(30分鐘) | 0.05%F.S. | Maximum overload極限過載 | 200% |
| Temp Effect on Output溫度靈敏度漂移 | 0.05%F.S./10℃ | Cable specifications電纜線規格 | Ø3x2m |
| Temp Effect on Zero零點溫度漂移 | 0.05%F.S./10℃ | Cable ultimate pull電纜極限拉力 | 10kg |
| Response frequency響應頻率 | 10kHz | TEDS | Can choose可選 |
TTM-Z101
External Dimension外形尺寸
| Capacity(kg) |
| 1 5 10 20 30 50 100 200 300 500 1000 2000 |
Parameters Table參數表
| Capacity量程 | 0-2000kg | Material材質 | Stainless steel不鏽鋼 |
| Rated Output輸出靈敏度 | 2.0±0.05mV/V | Impedance阻抗 | 350Ω |
| Zero Balance零點輸出 | ±2%F.S. | Insulation絕緣電阻 | ≧5000MΩ/100VDC |
| Non-Linearity非線性 | 0.05%F.S. | Voltage電壓 | 5-10v |
| Hysteresis滯後 | 0.03%F.S. | Operating Temp Range工作溫度範圍 | -20-80℃ |
| Repeatability重複性 | 0.03%F.S. | Safe Overload安全過載 | 150% |
| Creep(30min)蠕變(30分鐘) | 0.03%F.S. | Maximum overload極限過載 | 200% |
| Temp Effect on Output溫度靈敏度漂移 | 0.03%F.S./10℃ | Cable specifications電纜線規格 | Ø3x2m |
| Temp Effect on Zero零點溫度漂移 | 0.05%F.S./10℃ | Cable ultimate pull電纜極限拉力 | 10kg |
| Response frequency響應頻率 | 10kHz | TEDS | Can choose可選 |
TTM-Z102
External Dimension外形尺寸

| Capacity(kg) |
| 10 15 20 30 50 |
Parameters Table參數表
| Capacity量程 | 0-50kg | Material材質 | Stainless steel不鏽鋼 |
| Rated Output輸出靈敏度 | 2.0±10%mV/V | Impedance阻抗 | 350Ω |
| Zero Balance零點輸出 | ±2%F.S. | Insulation絕緣電阻 | ≧5000MΩ/100VDC |
| Non-Linearity非線性 | 0.1%F.S. | Voltage電壓 | 5-10v |
| Hysteresis滯後 | 0.1%F.S. | Operating Temp Range工作溫度範圍 | -20-80℃ |
| Repeatability重複性 | 0.1%F.S. | Safe Overload安全過載 | 120% |
| Creep(30min)蠕變(30分鐘) | 0.1%F.S. | Maximum overload極限過載 | 150% |
| Temp Effect on Output溫度靈敏度漂移 | 0.1%F.S./10℃ | Cable specifications電纜線規格 | Ø2x2m |
| Temp Effect on Zero零點溫度漂移 | 0.1%F.S./10℃ | Cable ultimate pull電纜極限拉力 | 10kg |
| Response frequency響應頻率 | 10kHz | TEDS | Can choose可選 |
TTM-Z103
External Dimension外形尺寸
| Capacity(KN) | A | B | C | D |
| 10,20 | 16 | 14 | 15 | 50 |
| 50,75 | 22.4 | 20.4 | 22.4 | 100 |
| 100,150 | 31.8 | 28.9 | 28.7 | 125 |
Parameters Table參數表
| Capacity量程 | 0-150KN | Material材質 | Stainless steel不鏽鋼 |
| Rated Output輸出靈敏度 | 1.0-1.5mV/V | Impedance阻抗 | 350Ω |
| Zero Balance零點輸出 | ±2%F.S. | Insulation絕緣電阻 | ≧5000MΩ/100VDC |
| Non-Linearity非線性 | 0.5%F.S. | Voltage電壓 | 5-15v |
| Hysteresis滯後 | 0.1%F.S. | Operating Temp Range工作溫度範圍 | -20-80℃ |
| Repeatability重複性 | 0.1%F.S. | Safe Overload安全過載 | 150% |
| Creep(30min)蠕變(30分鐘) | 0.1%F.S. | Maximum overload極限過載 | 200% |
| Temp Effect on Output溫度靈敏度漂移 | 0.05%F.S./10℃ | Cable specifications電纜線規格 | Ø2x2m |
| Temp Effect on Zero零點溫度漂移 | 0.05%F.S./10℃ | Cable ultimate pull電纜極限拉力 | 10kg |
| Response frequency響應頻率 | 10kHz | TEDS | Can choose可選 |
TTM-Z104
External Dimension外形尺寸
| Capacity(KN) | A | B | C | D | E | F | G | H | K | X | Y | I | J | Z | M |
| 0.5-10 | 54 | 50 | 34 | 8.5 | 5 | 13 | 47 | 5.5 | 42 | 10 | 13 | 3 | 8 | 9 | 8-M5 |
| 20-100 | 95 | 90 | 55 | 15 | 5.5 | 20 | 72 | 11 | 70 | 15.7 | 14 | 5 | 10.5 | 14 | 10-M10 |
Parameters Table參數表
| Capacity量程 | 0-100N | Material材質 | Stainless steel不鏽鋼 Alloy steel合金鋼 |
| Rated Output輸出靈敏度 | 2.0±10%mV/V | Impedance阻抗 | 350Ω |
| Zero Balance零點輸出 | ±2%F.S. | Insulation絕緣電阻 | ≧5000MΩ/100VDC |
| Non-Linearity非線性 | 0.5%F.S. | Voltage電壓 | 5-15v |
| Hysteresis滯後 | 0.1%F.S. | Operating Temp Range工作溫度範圍 | -20-80℃ |
| Repeatability重複性 | 0.1%F.S. | Safe Overload安全過載 | 120% |
| Creep(30min)蠕變(30分鐘) | 0.1%F.S. | Maximum overload極限過載 | 150% |
| Temp Effect on Output溫度靈敏度漂移 | 0.1%F.S./10℃ | Cable specifications電纜線規格 | Ø5x3m |
| Temp Effect on Zero零點溫度漂移 | 0.1%F.S./10℃ | Cable ultimate pull電纜極限拉力 | 10kg |
| Response frequency響應頻率 | 10kHz | TEDS | Can choose可選 |
TTM-Z105
External Dimension外形尺寸
| Capacity (kg) | A | B | C | D | E | F | X | Y |
| 50-500 | 80 | 37.5 | M10x1.5-6H | 74 | 20 | 17 | 60 | 40 |
| 1000-3000 | 120 | 45 | M20x1.5-6H | 74 | 36 | 30 | 60 | 40 |
Parameters Table參數表
| Capacity量程 | 0-20KN | Material材質 | Stainless steel不鏽鋼 |
| Rated Output輸出靈敏度 | 1.5-2.0mV/V | Impedance阻抗 | 350Ω |
| Zero Balance零點輸出 | ±2%F.S. | Insulation絕緣電阻 | ≧5000MΩ/100VDC |
| Non-Linearity非線性 | 0.05%F.S. | Voltage電壓 | 5-15v |
| Hysteresis滯後 | 0.5%F.S. | Operating Temp Range工作溫度範圍 | -20-65℃ |
| Repeatability重複性 | 0.5%F.S. | Safe Overload安全過載 | 150% |
| Creep(30min)蠕變(30分鐘) | 0.05%F.S. | Maximum overload極限過載 | 200% |
| Temp Effect on Output溫度靈敏度漂移 | 0.05%F.S./10℃ | Cable specifications電纜線規格 | Ø5X2m |
| Temp Effect on Zero零點溫度漂移 | 0.05%F.S./10℃ | Cable ultimate pull電纜極限拉力 | 10kg |
| Response frequency響應頻率 | 10kHz | TEDS | Can choose可選 |
TTM-Z106

External Dimension外形尺寸
| Capacity (KN) |
| 3 5 10 20 30 50 |
Parameters Table參數表
| Capacity量程 | 0-50KN | Material材質 | Aluminum alloy鋁合金 |
| Rated Output輸出靈敏度 | 2.0±10%mV/V | Impedance阻抗 | 350/700Ω |
| Zero Balance零點輸出 | ±2%F.S. | Insulation絕緣電阻 | ≧5000MΩ/100VDC |
| Non-Linearity非線性 | 0.5%F.S. | Voltage電壓 | 10-15v |
| Hysteresis滯後 | 0.1%F.S. | Operating Temp Range工作溫度範圍 | -20-80℃ |
| Repeatability重複性 | 0.1%F.S. | Safe Overload安全過載 | 120% |
| Creep(30min)蠕變(30分鐘) | 0.1%F.S. | Maximum overload極限過載 | 150% |
| Temp Effect on Output溫度靈敏度漂移 | 0.1%F.S./10℃ | Cable specifications電纜線規格 | Ø3x2m |
| Temp Effect on Zero零點溫度漂移 | 0.1%F.S./10℃ | Cable ultimate pulluql電纜極限拉力 | 10kg |
| Response frequency響應頻率 | 10kHz | TEDS | Can choose可選 |
TTM-Z107
External Dimension外形尺寸

| Capacity (kg) |
| 5 10 20 30 50 100 200 |
Parameters Table參數表
| Capacity量程 | 0-50kN | Material材質 | Aluminum alloy鋁合金 |
| Rated Output輸出靈敏度 | 2.0±10%mV/V | Impedance阻抗 | 350/700Ω |
| Zero Balance零點輸出 | ±2%F.S. | Insulation絕緣電阻 | ≧5000MΩ/100VDC |
| Non-Linearity非線性 | 0.5%F.S. | Voltage電壓 | 10-15V |
| Hysteresis滯後 | 0.1%F.S. | Operating Temp Range工作溫度範圍 | -20-80℃ |
| Repeatability重複性 | 0.1%F.S. | Safe Overload安全過載 | 120% |
| Creep(30min)蠕變(30分鐘) | 0.1%F.S. | Maximum overload極限過載 | 150% |
| Temp Effect on Output溫度靈敏度漂移 | 0.1%F.S./10℃ | Cable specifications電纜線規格 | Ø3x2m |
| Temp Effect on Zero零點溫度漂移 | 0.1%F.S./10℃ | Cable ultimate pulluql電纜極限拉力 | 10kg |
| Response frequency響應頻率 | 10kHz | TEDS | Can choose可選 |
TTM-Z109
Application fields:
The Peld of large value testing machine, standard dynamometer, pressure testing instrument, automation equipmet and testing Peld.
應用領域:
大型試驗機、標準測力儀、壓力測試儀器以及自動化設備及檢測Peld。


External Dimension外形尺寸
Parameters Table參數表
| Capacity量程 | 0-40T |
| Rated Output輸出靈敏度 | 2.0±0.05mV/V |
| Zero Balance零點輸出 | ±1%F.S. |
| Non-Linearity非線性 | 0.5%F.S. |
| Hysteresis滯後 | 0.2%F.S. |
| Repeatability重複性 | 0.15%F.S. |
| Creep(30min)蠕變(30分鐘) | 0.3%F.S. |
| Temp Effect on Output溫度靈敏度漂移 | 0.03%F.S./10℃ |
| Temp Effect on Zero零點溫度漂移 | 0.3%F.S./10℃ |
| Response frequency響應頻率 | 10kHz |
| Material材質 | Alloy steel合金鋼 |
| Impedance阻抗 | 750±20Ω |
| Insulation絕緣電阻 | ≧5000MΩ/100VDC |
| Voltage電壓 | 10-15V |
| Operating Temp Range工作溫度範圍 | -20-80℃ |
| Safe Overload安全過載 | 150% |
| Maximum overload極限過載 | 200% |
| Cable specifications電纜線規格 | Ø5x2m |
| Cable ultimate pulluql電纜極限拉力 | 10kg |
| TEDS | Can choose可選 |
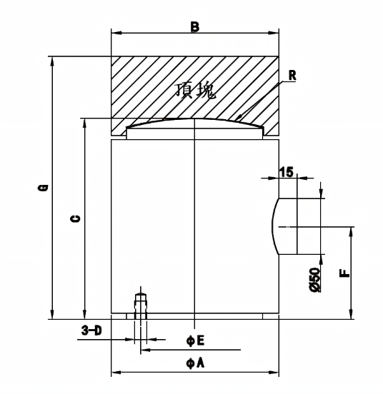
TTM-Z011
Application fields:
The Peld of large value testing machine, standard dynamometer, pressure testing instrument, automation equipmet and testing Peld.
應用領域:
大型試驗機、標準測力儀、壓力測試儀器以及自動化設備及檢測Peld。


External Dimension外形尺寸
| Capacity (T) | 2-20 | 30-50 | 60-100 | 200 | 300 | 500 | 700-1000T |
| ØA | 54 | 78 | 98 | 128 | 154 | 196 | 246 |
| ØB | 54 | 78 | 98 | 128 | 154 | 196 | 246 |
| C | 65 | 100 | 110 | 140 | 170 | 220 | 282 |
| D | M4 | M6 | M6 | M6 | M8 | M10 | M16 |
| E | 35 | 55 | 75 | 100 | 120 | 150 | 190 |
| R | 80 | 100 | 120 | 200 | 300 | 400 | 500 |
| G | 85 | 125 | 140 | 180 | 215 | 275 | 352 |
| F | 30 | 47 | 55 | 70 | 85 | 110 | 132 |
Parameters Table參數表
| Capacity量程 | 0-1000T | Material材質 | Alloy steel合金鋼 |
| Rated Output輸出靈敏度 | 2.0/3.0±10%mV/V | Impedance阻抗 | 700Ω |
| Zero Balance零點輸出 | ±2%F.S. | Insulation絕緣電阻 | ≧5000MΩ/100VDC |
| Non-Linearity非線性 | 0.3%F.S. | Voltage電壓 | 5-15V |
| Hysteresis滯後 | 0.1%F.S. | Operating Temp Range工作溫度範圍 | -20-80℃ |
| Repeatability重複性 | 0.1%F.S. | Safe Overload安全過載 | 150% |
| Creep(30min)蠕變(30分鐘) | 0.05%F.S. | Maximum overload極限過載 | 200% |
| Temp Effect on Output溫度靈敏度漂移 | 0.05%F.S./10℃ | Cable specifications電纜線規格 | Ø5x3m |
| Temp Effect on Zero零點溫度漂移 | 0.05%F.S./10℃ | Cable ultimate pulluql電纜極限拉力 | 10kg |
| Response frequency響應頻率 | 10kHz | TEDS | Can choose可選 |
TTM-Z013

External Dimension外形尺寸
| Capacity (T) |
| 5 10 20 30 |
Parameters Table參數表
| Capacity量程 | 0-30T | Material材質 | Alloy steel合金鋼 |
| Rated Output輸出靈敏度 | 1.0-2.0±0.05mV/V | Impedance阻抗 | 350Ω |
| Zero Balance零點輸出 | ±1%F.S. | Insulation絕緣電阻 | ≧5000MΩ/100VDC |
| Non-Linearity非線性 | 0.1%F.S. | Voltage電壓 | 5-15V |
| Hysteresis滯後 | 0.1%F.S. | Operating Temp Range工作溫度範圍 | -20-80℃ |
| Repeatability重複性 | 0.05%F.S. | Safe Overload安全過載 | 150% |
| Creep(30min)蠕變(30分鐘) | 0.05%F.S. | Maximum overload極限過載 | 200% |
| Temp Effect on Output溫度靈敏度漂移 | 0.05%F.S./10℃ | Cable specifications電纜線規格 | Ø5x3m |
| Temp Effect on Zero零點溫度漂移 | 0.05%F.S./10℃ | Cable ultimate pulluql電纜極限拉力 | 10kg |
| Response frequency響應頻率 | 10kHz | TEDS | Can choose可選 |
TTM-Z014
External Dimension外形尺寸
| Capacity (T) | ØA | B | C | 2-M | D |
| 20 | 60 | 180 | 64 | M36x4 | 40 |
| 30 | 73 | 213 | 73 | M45x4.5 | 45 |
| 50 | 94 | 332 | 112 | M64x3 | 70 |
| 100 | 112 | 367 | 130 | M76x3 | 80 |
Parameters Table參數表
| Capacity量程 | 0-100T | Material材質 | Alloy steel合金鋼 |
| Rated Output輸出靈敏度 | 1.5±0.05mV/V | Impedance阻抗 | 350Ω |
| Zero Balance零點輸出 | ±1%F.S. | Insulation絕緣電阻 | ≧5000MΩ/100VDC |
| Non-Linearity非線性 | 0.1%F.S. | Voltage電壓 | 10-15V |
| Hysteresis滯後 | 0.1%F.S. | Operating Temp Range工作溫度範圍 | -20-80℃ |
| Repeatability重複性 | 0.05%F.S. | Safe Overload安全過載 | 120% |
| Creep(30min)蠕變(30分鐘) | 0.5%F.S. | Maximum overload極限過載 | 150% |
| Temp Effect on Output溫度靈敏度漂移 | 0.1%F.S./10℃ | Cable specifications電纜線規格 | Ø5x3m |
| Temp Effect on Zero零點溫度漂移 | 0.1%F.S./10℃ | Cable ultimate pulluql電纜極限拉力 | 10kg |
| Response frequency響應頻率 | 10kHz | TEDS | Can choose可選 |
TTM-Z016

External Dimension外形尺寸
| Capacity (T) |
| 3-30 |
Parameters Table參數表
| Capacity量程 | 3-30T | Material材質 | Stainless steel不鏽鋼 |
| Rated Output輸出靈敏度 | 1.5-2.0mV/V | Impedance阻抗 | 350/700Ω |
| Zero Balance零點輸出 | ±2%F.S. | Insulation絕緣電阻 | ≧5000MΩ/100VDC |
| Non-Linearity非線性 | 0.5%F.S. | Voltage電壓 | 5-15V |
| Hysteresis滯後 | 0.5%F.S. | Operating Temp Range工作溫度範圍 | -20-65℃ |
| Repeatability重複性 | 0.5%F.S. | Safe Overload安全過載 | 150% |
| Creep(30min)蠕變(30分鐘) | 0.05%F.S. | Maximum overload極限過載 | 200% |
| Temp Effect on Output溫度靈敏度漂移 | 0.05%F.S./10℃ | Cable specifications電纜線規格 | Ø5x2m |
| Temp Effect on Zero零點溫度漂移 | 0.05%F.S./10℃ | Cable ultimate pulluql電纜極限拉力 | 10kg |
| Response frequency響應頻率 | 10kHz | TEDS | Can choose可選 |
TTM-HX001

External Dimension外形尺寸
| Capacity (kg) |
| 5 10 20 30 50 100 |
Parameters Table參數表
| Capacity量程 | 0-100kg | Material材質 | Stainless steel不鏽鋼 |
| Rated Output輸出靈敏度 | 2.0±10%mV/V | Impedance阻抗 | 350/700Ω |
| Zero Balance零點輸出 | ±2%F.S. | Insulation絕緣電阻 | ≧5000MΩ/100VDC |
| Non-Linearity非線性 | 0.5%F.S. | Voltage電壓 | 5-10V |
| Hysteresis滯後 | 0.1%F.S. | Operating Temp Range工作溫度範圍 | -20-80℃ |
| Repeatability重複性 | 0.1%F.S. | Safe Overload安全過載 | 120% |
| Creep(30min)蠕變(30分鐘) | 0.1%F.S. | Maximum overload極限過載 | 150% |
| Temp Effect on Output溫度靈敏度漂移 | 0.1%F.S./10℃ | Cable specifications電纜線規格 | Ø2x2m |
| Temp Effect on Zero零點溫度漂移 | 0.1%F.S./10℃ | Cable ultimate pulluql電纜極限拉力 | 10kg |
| Response frequency響應頻率 | 10kHz | TEDS | Can choose可選 |
TTM-HX002

External Dimension外形尺寸
| Capacity (T) |
| 5 10 20 30 50 |
Parameters Table參數表
| Capacity量程 | 5-50T | Material材質 | Alloy steel合金鋼 |
| Rated Output輸出靈敏度 | 1.5±10%mV/V | Impedance阻抗 | 700Ω |
| Zero Balance零點輸出 | ±2%F.S. | Insulation絕緣電阻 | ≧5000MΩ/100VDC |
| Non-Linearity非線性 | 0.5%F.S. | Voltage電壓 | 5-15V |
| Hysteresis滯後 | 0.05%F.S. | Operating Temp Range工作溫度範圍 | -20-80℃ |
| Repeatability重複性 | 0.05%F.S. | Safe Overload安全過載 | 120% |
| Creep(30min)蠕變(30分鐘) | 0.1%F.S. | Maximum overload極限過載 | 150% |
| Temp Effect on Output溫度靈敏度漂移 | 0.1%F.S./10℃ | Cable specifications電纜線規格 | Ø5x3m |
| Temp Effect on Zero零點溫度漂移 | 0.1%F.S./10℃ | Cable ultimate pulluql電纜極限拉力 | 10kg |
| Response frequency響應頻率 | 10kHz | TEDS | Can choose可選 |
TTM-HX003

External Dimension外形尺寸
| Capacity (kg) |
| 50 200 300 500 1000 3000 5000 |
Parameters Table參數表
| Capacity量程 | 50-5000kg | Material材質 | Alloy steel合金鋼 |
| Rated Output輸出靈敏度 | 2.0±10%mV/V | Impedance阻抗 | 700Ω |
| Zero Balance零點輸出 | ±2%F.S. | Insulation絕緣電阻 | ≧5000MΩ/100VDC |
| Non-Linearity非線性 | 0.5%F.S. | Voltage電壓 | 5-10V |
| Hysteresis滯後 | 0.3%F.S. | Operating Temp Range工作溫度範圍 | -20-80℃ |
| Repeatability重複性 | 0.3%F.S. | Safe Overload安全過載 | 120% |
| Creep(30min)蠕變(30分鐘) | 0.1%F.S. | Maximum overload極限過載 | 150% |
| Temp Effect on Output溫度靈敏度漂移 | 0.05%F.S./10℃ | Cable specifications電纜線規格 | Ø5x3m |
| Temp Effect on Zero零點溫度漂移 | 0.05%F.S./10℃ | Cable ultimate pulluql電纜極限拉力 | 10kg |
| Response frequency響應頻率 | 10kHz | TEDS | Can choose可選 |
TTM-D620
Characteristic:
特徵:
整合顯示與稱重模組,儀器精度可達0.05%,內建電池供電,可透過USB介面或2.4G無線通訊方式進行通訊。
Application fields:
應用領域:
汽車沖壓件、自動化組裝、3C產品測試、新能源產品組裝、醫療檢測、機器人、模具組裝等工業測試、自動化設備及測試。

-
無線手持儀錶

Parameters Table參數表
| Capacity量程 | 取決於傳感器的量程,本公司有多種型號和量程的傳感器可以通過加裝嵌入式D620儀表構成一體式稱重模塊 |
| Non-Linearity非線性 | 儀表精度優於0.05%,整個模塊的精度取決於所配套的傳感器型號。儀表顯示分度最大到999999 |
| Communication通訊 | D620稱重模塊有USB通訊和2.4G無線通訊口,使用電腦USB通訊線可以與電腦通訊,支持modbus-RTU通訊 協議。也可以與本公司D900手持式儀錶(帶2.4G通訊模塊的版本)通訊查看測量值,修改參數和校準。 |
| Work Environment工作環境 | 1.50-50℃ |
| Power supply mode供電方式 | 3.7V鋰電池,1000mAH,可以通過手機充電器充電。模塊持續工作時間大約20H。 |
TTM-D700
Parameters Table參數表
| 測量通道 | 四通道模擬輸入 |
| 電源橋電壓 | 5V |
| 測量精度 | 20位 |
| 測量速度 | 測量速度可選10,20,80,320次每秒 |
| 顯示分度 | 測量值最大顯示分度999999 |
| 按鍵及顯示 | 採用480x320彩色液晶顯示器 |
| 串口通訊 | 12鍵電容觸摸按鍵 |
| 乙太網路埠 | 可執行MODBUS-TCP協議,和自定議協議 |
| 供電電源 | 10-30VDC供電,小於2W |
| 基本功能 | 測量顯示濾波標度變換峰值捕獲就數據記錄 |


















