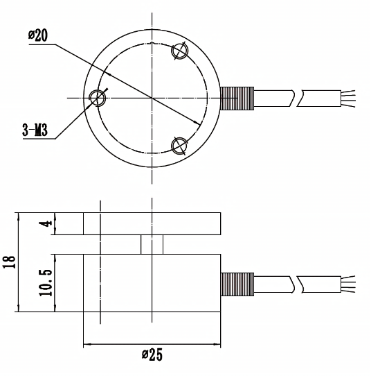
capsule sensor
膜盒傳感器
Product Reviews產品介紹
Application fields:
Automobile press Ptting, automatic assembly, 3C product testing, new energy product assembly, medical testing, robot Peld, mold assembly and other industrial testing, automation equipment Peld and testing Peld.
應用領域:
汽車壓裝、自動化組裝、3C產品測試、新能源產品組裝、醫療檢測、機器人顉域、模具組裝及其他工業測試、自動化設備領域和測試領域。
ttm-mh101

External Dimension外形尺寸
| Capacity | ØA | B | H | Ø1 | ØD | 4-M | SR |
| 50kg-5T | 51 | 25 | 20 | 10 | 42 | M5 | SR50 |
| 6-15T | 88 | 47 | 42 | 18 | 72 | M6 | SR150 |
Parameters Table參數表
| Capacity量程 | 50-15000kg | Material材質 | alloy steel合金鋼 |
| Rated Output輸出靈敏度 | 1.0-2.0±0.01mV/V | Impedance阻抗 | 700Ω |
| Zero Balance零點輸出 | ±2%F.S. | Insulation絕緣電阻 | ≧5000MΩ/100VDC |
| Non-Linearity非線性 | 0.3%F.S. | Voltage電壓 | 5-15v |
| Hysteresis滯後 | 0.1%F.S. | Operating Temp Range工作溫度範圍 | -20-80℃ |
| Repeatability重複性 | 0.1%F.S. | Safe Overload安全過載 | 150% |
| Creep(30min) 蠕變(30分鐘) | 0.1%F.S. | Maximum overload極限過載 | 200% |
| Temp Effect on Output溫度靈敏度漂移 | 0.05%F.S./10℃ | Cable specifications電纜線規格 | Ø5x2m |
| Temp Effect on Zero零點溫度漂移 | 0.05%F.S./10℃ | Cable ultimate pull電纜極限拉力 | 10kg |
| Response frequency響應頻率 | 10kHz | TEDS | Can choose可選 |
ttm-mh102

External Dimension外形尺寸
| Capacity | Ø |
| 50kg 100kg 200kg 300kg 500kg | 10 |
| 1T 2T 3T 5T 10T | 20 |
Parameters Table參數表
| Capacity量程 | 50kg-10T | Material材質 | Alloy steel合金鋼 |
| Rated Output輸出靈敏度 | 1.0-2.0±0.05mV/V | Impedance阻抗 | 700Ω |
| Zero Balance零點輸出 | ±2%F.S. | Insulation絕緣電阻 | ≧5000MΩ/100VDC |
| Non-Linearity非線性 | 0.1%F.S. | Voltage電壓 | 5-15v |
| Hysteresis滯後 | 0.1%F.S. | Operating Temp Range工作溫度範圍 | -20-80℃ |
| Repeatability重複性 | 0.1%F.S. | Safe Overload安全過載 | 150% |
| Creep(30min) 蠕變(30分鐘) | 0.1%F.S. | Maximum overload極限過載 | 200% |
| Temp Effect on Output溫度靈敏度漂移 | 0.05%F.S./10℃ | Cable specifications電纜線規格 | Ø5x2m |
| Temp Effect on Zero零點溫度漂移 | 0.05%F.S./10℃ | Cable ultimate pull電纜極限拉力 | 10kg |
| Response frequency響應頻率 | 10kHz | TEDS | Can choose可選 |
TTM-mh103

External Dimension外形尺寸
| Capacity(kg) | M |
| 1-50 | M5 |
| 60-100 | M6 |
| 200-500 | M8 |
Parameters Table參數表
| Capacity量程 | 0-500kg | Material材質 | Stainless steel不鏽鋼 |
| Rated Output輸出靈敏度 | 1.0-1.5±10%mV/V | Impedance阻抗 | 350Ω |
| Zero Balance零點輸出 | ±2%F.S. | Insulation絕緣電阻 | ≧5000MΩ/100VDC |
| Non-Linearity非線性 | 0.3%F.S. | Voltage電壓 | 5-10v |
| Hysteresis滯後 | 0.1%F.S. | Operating Temp Range工作溫度範圍 | -20-80℃ |
| Repeatability重複性 | 0.1%F.S. | Safe Overload安全過載 | 150% |
| Creep(30min) 蠕變(30分鐘) | 0.2%F.S. | Maximum overload極限過載 | 200% |
| Temp Effect on Output溫度靈敏度漂移 | 0.1%F.S./10℃ | Cable specifications電纜線規格 | Ø3x2m |
| Temp Effect on Zero零點溫度漂移 | 0.1%F.S./10℃ | Cable ultimate pull電纜極限拉力 | 10kg |
| Response frequency響應頻率 | 10kHz | TEDS | Can choose可選 |
TTM-mh104

External Dimension外形尺寸
| Capacity(kg) | M |
| 20-2000 | M12 |
| 3000-5000 | M16 |
Parameters Table參數表
| Capacity量程 | 0-5T | Material材質 | Stainless steel不鏽鋼 |
| Rated Output輸出靈敏度 | 2.0±10mV/V | Impedance阻抗 | 700Ω |
| Zero Balance零點輸出 | ±1%F.S. | Insulation絕緣電阻 | ≧5000MΩ/100VDC |
| Non-Linearity非線性 | 0.3%F.S. | Voltage電壓 | 5-15v |
| Hysteresis滯後 | 0.1%F.S. | Operating Temp Range工作溫度範圍 | -20-65℃ |
| Repeatability重複性 | 0.1%F.S. | Safe Overload安全過載 | 150% |
| Creep(30min) 蠕變(30分鐘) | 0.1%F.S. | Maximum overload極限過載 | 200% |
| Temp Effect on Output溫度靈敏度漂移 | 0.1%F.S./10℃ | Cable specifications電纜線規格 | Ø5x2m |
| Temp Effect on Zero零點溫度漂移 | 0.1%F.S./10℃ | Cable ultimate pull電纜極限拉力 | 10kg |
| Response frequency響應頻率 | 10kHz | TEDS | Can choose可選 |
ttm-mh105

External Dimension外形尺寸
| Capacity (kg) |
| 20 30 50 100 200 300 500 1000 2000 |
Parameters Table參數表
| Capacity量程 | 0-2T | Material材質 | Alloy steel合金鋼 |
| Rated Output輸出靈敏度 | 1.0-2.0±0.05mV/V | Impedance阻抗 | 350Ω |
| Zero Balance零點輸出 | ±1%F.S. | Insulation絕緣電阻 | ≧5000MΩ/100VDC |
| Non-Linearity非線性 | 0.5%F.S. | Voltage電壓 | 5-10v |
| Hysteresis滯後 | 0.3%F.S. | Operating Temp Range工作溫度範圍 | -20-80℃ |
| Repeatability重複性 | 0.3%F.S. | Safe Overload安全過載 | 120% |
| Creep(30min) 蠕變(30分鐘) | 0.1%F.S. | Maximum overload極限過載 | 150% |
| Temp Effect on Output溫度靈敏度漂移 | 0.1%F.S./10℃ | Cable specifications電纜線規格 | Ø3x2m |
| Temp Effect on Zero零點溫度漂移 | 0.1%F.S./10℃ | Cable ultimate pull電纜極限拉力 | 10kg |
| Response frequency響應頻率 | 10kHz | TEDS | Can choose可選 |
ttm-mh106

External Dimension外形尺寸
| Capacity (kg) | M | 電纜線 | 重量 |
| 10,15,20,30,50,100 | M6 | Ø2 | 0.1kg |
| 200,300,400,500 | 8 | Ø2 | 0.1kg |
Parameters Table參數表
| Capacity量程 | 0-500kg | Material材質 | Stainless steel不鏽鋼 |
| Rated Output輸出靈敏度 | 1.0±20%mV/V | Impedance阻抗 | 350/500/1000Ω |
| Zero Balance零點輸出 | ±5%F.S. | Insulation絕緣電阻 | ≧5000MΩ/100VDC |
| Non-Linearity非線性 | 1%F.S. | Voltage電壓 | 5-10v |
| Hysteresis滯後 | 0.5%F.S. | Operating Temp Range工作溫度範圍 | -20-80℃ |
| Repeatability重複性 | 0.5%F.S. | Safe Overload安全過載 | 120% |
| Creep(30min) 蠕變(30分鐘) | 0.1%F.S. | Maximum overload極限過載 | 200% |
| Temp Effect on Output溫度靈敏度漂移 | 0.2%F.S./10℃ | Cable specifications電纜線規格 | Ø2x2m |
| Temp Effect on Zero零點溫度漂移 | 0.2%F.S./10℃ | Cable ultimate pull電纜極限拉力 | 10kg |
| Response frequency響應頻率 | 10kHz | TEDS | Can choose可選 |
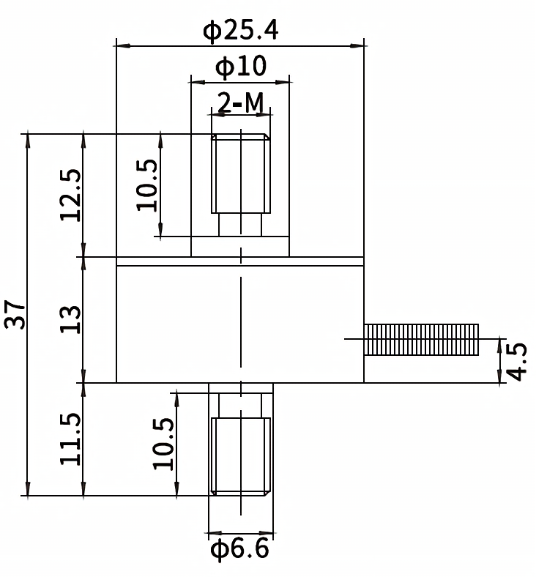
TTM-MH107

External Dimension外形尺寸
| Capacity (KN) |
| 0.5 1 2 3 5 10 20 |
Parameters Table參數表
| Capacity量程 | 0-20KN | Material材質 | Stainless steel不鏽鋼 |
| Rated Output輸出靈敏度 | 1.5-2.0mV/V | Impedance阻抗 | 350/700Ω |
| Zero Balance零點輸出 | ±2%F.S. | Insulation絕緣電阻 | ≧5000MΩ/100VDC |
| Non-Linearity非線性 | 0.5%F.S. | Voltage電壓 | 5-15V |
| Hysteresis滯後 | 0.5%F.S. | Operating Temp Range工作溫度範圍 | -20-65℃ |
| Repeatability重複性 | 0.5%F.S. | Safe Overload安全過載 | 150% |
| Creep(30min) 蠕變(30分鐘) | 0.05%F.S. | Maximum overload極限過載 | 200% |
| Temp Effect on Output溫度靈敏度漂移 | 0.05%F.S./10℃ | Cable specifications電纜線規格 | Ø5x2m |
| Temp Effect on Zero零點溫度漂移 | 0.05%F.S./10℃ | Cable ultimate pull電纜極限拉力 | 10kg |
| Response frequency響應頻率 | 10kHz | TEDS | Can choose可選 |
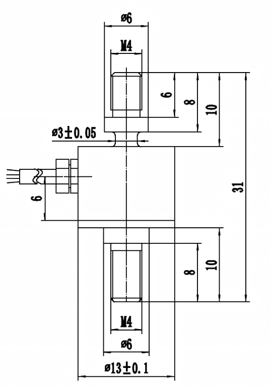
TTM-MH113

External Dimension外形尺寸
| Capacity (kg) |
| 10 15 20 30 50 |
Parameters Table參數表
| Capacity量程 | 0-50kg | Material材質 | Stainless steel不鏽鋼 |
| Rated Output輸出靈敏度 | 1.0±10%mV/V | Impedance阻抗 | 500Ω |
| Zero Balance零點輸出 | ±0.05%F.S. | Insulation絕緣電阻 | ≧5000MΩ/100VDC |
| Non-Linearity非線性 | 0.5%F.S. | Voltage電壓 | 5-15V |
| Hysteresis滯後 | 0.5%F.S. | Operating Temp Range工作溫度範圍 | -20-70℃ |
| Repeatability重複性 | 0.5%F.S. | Safe Overload安全過載 | 150% |
| Creep(30min) 蠕變(30分鐘) | 0.2%F.S. | Maximum overload極限過載 | 200% |
| Temp Effect on Output溫度靈敏度漂移 | 0.2%F.S./10℃ | Cable specifications電纜線規格 | Ø2x2m |
| Temp Effect on Zero零點溫度漂移 | 0.2%F.S./10℃ | Cable ultimate pull電纜極限拉力 | 10kg |
| Response frequency響應頻率 | 10kHz | TEDS | Can choose可選 |
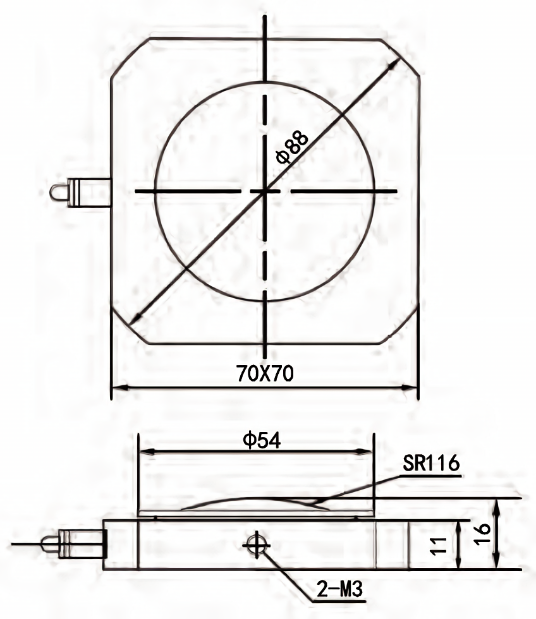
TTM-TB001
External Dimension外形尺寸
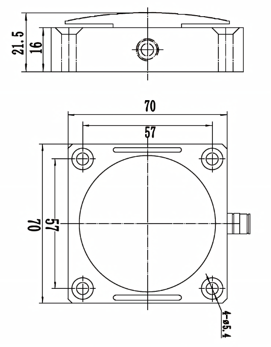
TTM-TB002
External Dimension外形尺寸
| Capacity (kg) |
| 50 100 200 |

Parameters Table參數表
| Capacity量程 | 1-200kg |
| Rated Output輸出靈敏度 | 1.0-1.5mV/V |
| Zero Balance零點輸出 | ±2%F.S. |
| Non-Linearity非線性 | 0.3%F.S. |
| Hysteresis滯後 | 0.3%F.S. |
| Repeatability重複性 | 0.1%F.S. |
| Creep(30min) 蠕變(30分鐘) | 0.05%F.S. |
| Temp Effect on Output溫度靈敏度漂移 | 0.3%F.S./10℃ |
| Temp Effect on Zero零點溫度漂移 | 0.3%F.S./10℃ |
| Response frequency響應頻率 | 10kHz |
| Material材質 | Alloy steel合金鋼 Stainless steel不鏽鋼 Aluminum alloy鋁合金 |
| Impedance阻抗 | 700Ω |
| Insulation絕緣電阻 | ≧5000MΩ/100VDC |
| Voltage電壓 | 5-10v |
| Operating Temp Range工作溫度範圍 | -20-70℃ |
| Safe Overload安全過載 | 150% |
| Maximum overload極限過載 | 200% |
| Cable specifications電纜線規格 | Ø3x2m |
| Cable ultimate pull電纜極限拉力 | 10kg |
| TEDS | Can choose可選 |






