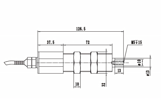
tension sensor
張力傳感器
Product Reviews產品介紹
ttm-zhl
Application fields:
It is suitable for It is suitable for dynamic tension measurement on various wire rod production equipment or using equipment such as optical Pber, yam, cable and tape.
應用領域:適用於光纖、紗線、電纜、膠帶等各類線材生產設備或使用設備上張力動態測量。

External Dimension外形尺寸
| Capacity |
| 10 20 50 100 200 500 1000 |
Parameters Table參數表
| Capacity量程 | 0-1000N | Material材質 | Stainless steel不鏽鋼 |
| Rated Output輸出靈敏度 | 2.0±0.05mV/V | Impedance阻抗 | 350Ω |
| Zero Balance零點輸出 | ±1%F.S. | Insulation絕緣電阻 | ≧5000MΩ/100VDC |
| Non-Linearity非線性 | 0.2%F.S. | Voltage電壓 | 5-15v |
| Hysteresis滯後 | 0.2%F.S. | Operating Temp Range工作溫度範圍 | -20-80℃ |
| Repeatability重複性 | 0.2%F.S. | Safe Overload安全過載 | 150% |
| Creep(30min) 蠕變(30分鐘) | 0.3%F.S. | Maximum overload極限過載 | 200% |
| Temp Effect on Output溫度靈敏度漂移 | 0.1%F.S./10℃ | Cable specifications電纜線規格 | Ø5x3m/5m |
| Temp Effect on Zero零點溫度漂移 | 0.1%F.S./10℃ | Cable ultimate pull電纜極限拉力 | 10kg |
| Response frequency響應頻率 | 10kHz | TEDS | Can choose可選 |
ttm-zl101
Application fields:
It is suitable for lifting, water conservancy, mining industry and all kinds of tension testing industries. It can be used for tension measurement or long-term monitoring of wire rope.
應用領域:
適用於起重、水利、採礦行業以利各類拉力測試行業,使用各類鋼絲繩張力測量或者長期監控使用。

External Dimension外形尺寸
| Wire rope tension | Capacity | wire rope(Ø) | A | B | C |
| 10KN | 1T | Ø6-14 | 180 | 35 | 60 |
| 20KN | 2T | Ø10-18 | 180 | 35 | 60 |
| 40-60KN | 4T-6T | Ø16-22 | 180 | 37 | 60 |
| 100-140KN | 10T-14T | Ø16-22 | 180 | 37 | 60 |
| 200KN | 20T | Ø22-32 | 240 | 40 | 80 |
Parameters Table參數表
| Capacity量程 | 1-200KN | Material材質 | Alloy steel合金鋼 |
| Rated Output輸出靈敏度 | 1.5±0.05mV/V | Impedance阻抗 | 350Ω |
| Zero Balance零點輸出 | ±1%F.S. | Insulation絕緣電阻 | ≧5000MΩ/100VDC |
| Non-Linearity非線性 | 0.5%F.S. | Voltage電壓 | 5-15v |
| Hysteresis滯後 | 0.5%F.S. | Operating Temp Range工作溫度範圍 | -20-60℃ |
| Repeatability重複性 | 0.5%F.S. | Safe Overload安全過載 | 150% |
| Creep(30min) 蠕變(30分鐘) | 0.3%F.S. | Maximum overload極限過載 | 300% |
| Temp Effect on Output溫度靈敏度漂移 | 0.05%F.S./10℃ | Cable specifications電纜線規格 | Ø5x3m |
| Temp Effect on Zero零點溫度漂移 | 0.05%F.S./10℃ | Cable ultimate pull電纜極限拉力 | 10kg |
| Response frequency響應頻率 | 10kHz | TEDS | Can choose可選 |
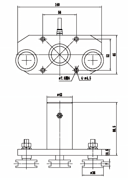
TTM-ZL104
Application fields:
It is suitable for lifting, water conservancy, mining industry and all kinds of tension testing industries. It can be used for tension measurement or long-term monitoring of wire rope.
應用領域:
適用於起重、水利、採礦行業以利各類拉力測試行業,使用各類鋼絲繩張力測量或者長期監控使用。

External Dimension外形尺寸
| Wire rope tension | Capacity | wire rope(Ø) | A | B | C | D |
| 10KN | 1T | Ø6-14 | 160 | 76 | 117 | 45 |
| 20KN | 1T | Ø10-18 | 160 | 76 | 117 | 45 |
| 50KN | 5T-10T | Ø16-26 | 160 | 76 | 117 | 45 |
| 100-200KN | 10T-14T | Ø24-36 | 260 | 108 | 170 | 68 |
Parameters Table參數表
| Capacity量程 | 0-200KN | Material材質 | Alloy steel合金鋼 |
| Rated Output輸出靈敏度 | 1.5±0.05mV/V | Impedance阻抗 | 350/700Ω |
| Zero Balance零點輸出 | ±1%F.S. | Insulation絕緣電阻 | ≧5000MΩ/100VDC |
| Non-Linearity非線性 | 0.5%F.S. | Voltage電壓 | 5-15v |
| Hysteresis滯後 | 0.5%F.S. | Operating Temp Range工作溫度範圍 | -20-80℃ |
| Repeatability重複性 | 0.3%F.S. | Safe Overload安全過載 | 150% |
| Creep(30min) 蠕變(30分鐘) | 0.3%F.S. | Maximum overload極限過載 | 200% |
| Temp Effect on Output溫度靈敏度漂移 | 0.05%F.S./10℃ | Cable specifications電纜線規格 | Ø5x3m |
| Temp Effect on Zero零點溫度漂移 | 0.05%F.S./10℃ | Cable ultimate pull電纜極限拉力 | 10kg |
| Response frequency響應頻率 | 10kHz | TEDS | Can choose可選 |
TTM-ZL105
Application fields:
5 times overload capacity, zero point stability, stainless steel material, corrosion resistance, high reliability, compact structure, convenient installation, oil and dirt resistance, good stability and reliability, high precision, suitable for the occasions with high measurement requirements.
應用領域:
5倍過載能力,零點穩定,不鏽鋼材質,耐腐蝕,高可靠性,結構緊湊,安裝方便耐油耐污,良好的穩定可靠性,精度高,適用於測量要求較高的場合

External Dimension外形尺寸
| Capacity(N) | A | B | C | D | E | F | G | H | I | d1 |
| 50-150 | 93 | 64 | 45 | 26 | 16 | 9 | 30.5 | 37.5 | 3.5 | 5.5 |
| 50-500 | 100 | 70 | 50 | 30 | 18.5 | 12 | 30.5 | 37.5 | 3.5 | 6.6 |
| 150-1000 | 105 | 75 | 60 | 40 | 20 | 17 | 30.5 | 37.5 | 3.5 | 6.6 |
| 150-1500 | 125 | 95 | 70 | 45.5 | 33 | 20/25 | 40 | 48 | 4 | 7 |
| 375-3000 | 175 | 135 | 100 | 70 | 44/48 | 35/40 | 57 | 65 | 4 | 9 |
| 750-12000 | 225 | 175 | 130 | 80 | 64/70 | 50/60 | 66 | 76 | 4 | 11 |
Parameters Table參數表
| Capacity量程 | 50-12000N | Material材質 | Stainless steel不鏽鋼 Alloy steel合金鋼 |
| Rated Output輸出靈敏度 | 2.0±0.05mV/V | Impedance阻抗 | 350Ω |
| Zero Balance零點輸出 | ±1%F.S. | Insulation絕緣電阻 | ≧5000MΩ/100VDC |
| Non-Linearity非線性 | 0.3%F.S. | Voltage電壓 | 5-15v |
| Hysteresis滯後 | 0.3%F.S. | Operating Temp Range工作溫度範圍 | -20-60℃ |
| Repeatability重複性 | 0.1%F.S. | Safe Overload安全過載 | 150% |
| Creep(30min) 蠕變(30分鐘) | 0.1%F.S. | Maximum overload極限過載 | 300% |
| Temp Effect on Output溫度靈敏度漂移 | 0.002%F.S./10℃ | Cable specifications電纜線規格 | Ø5x3m |
| Temp Effect on Zero零點溫度漂移 | 0.002%F.S./10℃ | Cable ultimate pull電纜極限拉力 | 10kg |
| Response frequency響應頻率 | 10kHz | TEDS | Can choose可選 |
ttm-zl106
Application fields:
High hardness aluminum alloy shell, stable output, high sensitive strain measurement components, suitable for precision measurement applications, good stability and reliability, high precision, oxidation shell, strict process.
應用領域:
高硬度鋁合金外殼,輸出穩定,高靈敏應變測量元件,適合精密測量應用,良好的穩定性及可靠性,精度高,氧化外殼,製程嚴格。

External Dimension外形尺寸
| Capacity (N) |
| 20 50 75 100 200 300 |
Parameters Table參數表
| Capacity量程 | 20-300N | Material材質 | Alloy steel合金鋼 |
| Rated Output輸出靈敏度 | 2.0±0.1mV/V | Impedance阻抗 | 350Ω |
| Zero Balance零點輸出 | ±1%F.S. | Insulation絕緣電阻 | ≧5000MΩ/100VDC |
| Non-Linearity非線性 | 0.1%F.S. | Voltage電壓 | 5-15v |
| Hysteresis滯後 | 0.1%F.S. | Operating Temp Range工作溫度範圍 | -20-80℃ |
| Repeatability重複性 | 0.1%F.S. | Safe Overload安全過載 | 150% |
| Creep(30min) 蠕變(30分鐘) | 0.1%F.S. | Maximum overload極限過載 | 200% |
| Temp Effect on Output溫度靈敏度漂移 | 0.05%F.S./10℃ | Cable specifications電纜線規格 | Ø5x3m |
| Temp Effect on Zero零點溫度漂移 | 0.05%F.S./10℃ | Cable ultimate pull電纜極限拉力 | 10kg |
| Response frequency響應頻率 | 10kHz | TEDS | Can choose可選 |
ttm-zl107
Application fields:
It is widely used in electronics, chemical industry, textile, papermaking, machinery and other Pelds. It has high measurement accuracy, reliability and stability in the Peld of tension measurement.
應用領域:
廣泛應用於電子、化工、紡織、造紙、機械等領域。 具有張力測量中具有較高的測量精度、可靠性和穩定性。

External Dimension外形尺寸
| Capacity (kg) |
| 2 5 10 20 30 50 100 |
Parameters Table參數表
| Capacity量程 | 0-100kg | Material材質 | Stainless steel不鏽鋼 Alloy steel合金鋼 |
| Rated Output輸出靈敏度 | 2.0±10%mV/V | Impedance阻抗 | 350Ω |
| Zero Balance零點輸出 | ±1%F.S. | Insulation絕緣電阻 | ≧5000MΩ/100VDC |
| Non-Linearity非線性 | 0.1%F.S. | Voltage電壓 | 5-15v |
| Hysteresis滯後 | 0.1%F.S. | Operating Temp Range工作溫度範圍 | -20-80℃ |
| Repeatability重複性 | 0.1%F.S. | Safe Overload安全過載 | 150% |
| Creep(30min) 蠕變(30分鐘) | 0.1%F.S. | Maximum overload極限過載 | 200% |
| Temp Effect on Output溫度靈敏度漂移 | 0.05%F.S./10℃ | Cable specifications電纜線規格 | Ø5x3m |
| Temp Effect on Zero零點溫度漂移 | 0.05%F.S./10℃ | Cable ultimate pull電纜極限拉力 | 10kg |
| Response frequency響應頻率 | 10kHz | TEDS | Can choose可選 |






