cantilever beam load cell
懸臂梁式稱重傳感器
Product Reviews產品介紹
Characteristic:
Compact structure, high comprehensive precision, good long-term stability, high quality alloy steel surface nickel plating.
Application fields:
The Peld of tension and pressure testing instruments such as heavy duty testing machine,hopper scale, hook scale, packaging scale, belt scale, plug-in force tester, automation equipment and testing Peld.
特性:
結構緊湊、綜合精度高、長期穩定性好、優質合金鋼表面鍍鎳。
應用領域:
大力值試驗機、料斗秤、吊鉤秤、包裝秤、皮帶秤、插拔力測試儀等拉壓力測試儀器以及自動化設備領域和測試領域
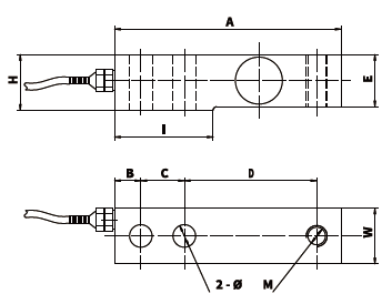
TTM-X301

External Dimension外形尺寸

| Capacity | ØA | B | C | D | E | W | H | M | 2-Ø | I |
| 50kg-2T | 130 | 15 | 25 | 76 | 30 | 32 | 32 | M12x1.75 | Ø13 | 56 |
| 2.5-5T | 171 | 19 | 38 | 96 | 38 | 38 | 43 | M18x1.5 | Ø20 | 80 |
| 6-10T | 225.6 | 25.4 | 50.8 | 122.9 | 50.8 | 50.8 | 56 | M24x2 | Ø26.4 | 105 |
Parameters Table參數表
| Capacity量程 | 0-10T | Material材質 | Alloy steel合金鋼 Stainless steel不鏽鋼 |
| Rated Output輸出靈敏度 | 2.0±0.05%mV/V | Impedance阻抗 | 350Ω |
| Zero Balance零點輸出 | ±1%F.S. | Insulation絕緣電阻 | ≧5000MΩ/100VDC |
| Non-Linearity非線性 | 0.03%F.S. | Voltage電壓 | 5-15v |
| Hysteresis滯後 | 0.03%F.S. | Operating Temp Range工作溫度範圍 | -20-80℃ |
| Repeatability重複性 | 0.03%F.S. | Safe Overload安全過載 | 150% |
| Creep(30min)蠕變(30分鐘) | 0.03%F.S. | Maximum overload極限過載 | 200% |
| Temp Effect on Output溫度靈敏度漂移 | 0.03%F.S./10℃ | Cable specifications電纜線規格 | Ø5x3m |
| Temp Effect on Zero零點溫度漂移 | 0.05%F.S./10℃ | Cable ultimate pull電纜極限拉力 | 10kg |
| Response frequency響應頻率 | 10kHz | TEDS | Can choose可選 |
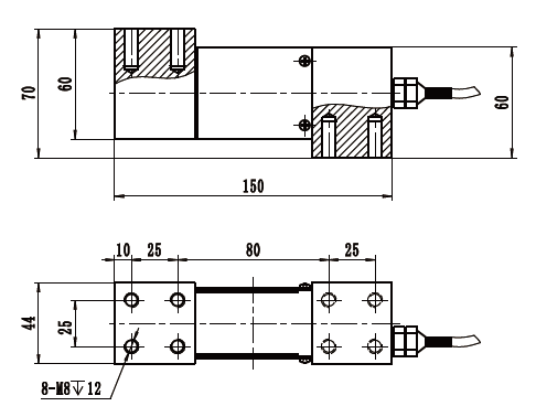
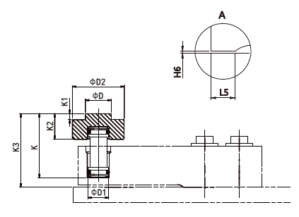
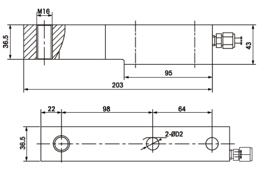
TTM-X302

External Dimension外形尺寸

| Capacity | L | L1 | L2 | L3 | L4 | L5 | W1 | H | H1 | ØD | ØD1 | ØD2 |
| 0.5-2T | 203 | 95 | 26 | 22 | 98 | 64 | 36.5 | 43 | 30.4 | 16 | 32 | 13 |
| 3T | 203 | 95 | 26 | 22 | 98 | 64 | 36.5 | 43 | 30.4 | 16 | 32 | 15 |
| 5T | 235 | 110 | 26 | 22 | 124 | 66 | 47.5 | 52 | 30 | 22 | 38 | 20 |
Parameters Table參數表
| Capacity量程 | 0-5T | Material材質 | Alloy steel合金鋼 Stainless steel不鏽鋼 |
| Rated Output輸出靈敏度 | 2.0±0.02%mV/V | Impedance阻抗 | 350Ω |
| Zero Balance零點輸出 | ±1%F.S. | Insulation絕緣電阻 | ≧5000MΩ/100VDC |
| Non-Linearity非線性 | 0.03%F.S. | Voltage電壓 | 5-10v |
| Hysteresis滯後 | 0.03%F.S. | Operating Temp Range工作溫度範圍 | -20-80℃ |
| Repeatability重複性 | 0.02%F.S. | Safe Overload安全過載 | 150% |
| Creep(30min)蠕變(30分鐘) | 0.02%F.S. | Maximum overload極限過載 | 300% |
| Temp Effect on Output溫度靈敏度漂移 | 0.03%F.S./10℃ | Cable specifications電纜線規格 | Ø5x5m |
| Temp Effect on Zero零點溫度漂移 | 0.05%F.S./10℃ | Cable ultimate pull電纜極限拉力 | 10kg |
| Response frequency響應頻率 | 10kHz | TEDS | Can choose可選 |
TTM-SBS
External Dimension外形尺寸
| Capacity | D2 |
| 0.3-2T | 13 |
| 3T | 15 |
| Capacity量程 | 0-3T | Material材質 | Alloy steel合金鋼 Stainless steel不鏽鋼 |
| Rated Output輸出靈敏度 | 2.0±0.02mV/V | Impedance阻抗 | 350Ω |
| Zero Balance零點輸出 | ±1%F.S. | Insulation絕緣電阻 | ≧5000MΩ/100VDC |
| Non-Linearity非線性 | 0.03%F.S. | Voltage電壓 | 5-15v |
| Hysteresis滯後 | 0.03%F.S. | Operating Temp Range工作溫度範圍 | -20-80℃ |
| Repeatability重複性 | 0.02%F.S. | Safe Overload安全過載 | 150% |
| Creep(30min)蠕變(30分鐘) | 0.02%F.S. | Maximum overload極限過載 | 200% |
| Temp Effect on Output溫度靈敏度漂移 | 0.03%F.S./10℃ | Cable specifications電纜線規格 | Ø5X3m |
| Temp Effect on Zero零點溫度漂移 | 0.03%F.S./10℃ | Cable ultimate pull電纜極限拉力 | 10kg |
| Response frequency響應頻率 | 10kHz | TEDS | Can choose可選 |
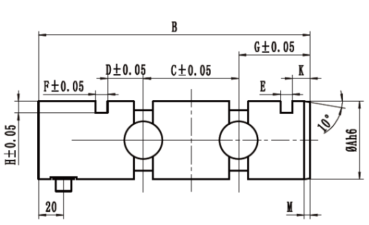
TTM-HLJ

External Dimension外形尺寸
| Capacity(T) | D | D1 | D2 | D3 | H | H1 | H2 | H3 | H4 | H5 | H6 | L | L1 | L2 | L3 | L4 | L5 | W | W1 |
| 0.25/0.5/1 | 12.7 | 22 | 15.9 | 3.1 | 30 | 1.9 | 17 | 15.9 | 4.7 | 7.7 | 0.38 | 133.4 | 57.6 | 101.6 | 25.4 | 15.4 | 6.4 | 30.7 | 5.2 |
| 2 | 12.7 | 22 | 15.9 | 3.1 | 36.6 | 2.8 | 23 | 19.6 | 9.5 | 11.7 | 0.82 | 136.7 | 57.9 | 101.6 | 25.4 | 18.4 | 6.4 | 36.8 | 6 |
| 3 | 15 | 22 | 15.9 | - | 36.6 | 1.2 | 23 | 19.6 | 9.5 | 11.7 | - | 139.7 | 57.9 | 104.6 | 25.4 | 18.4 | - | 39 | 6 |
| 5 | 19 | 34.9 | 22.2 | 3.1 | 43 | 2 | 29.4 | 22.5 | 11 | 11.7 | - | 171.5 | 73.8 | 133.3 | 38.1 | 21.5 | - | 42.9 | 6 |

| Capacity(T) | K | K1 | K2 | K3 | D | D1 | D2 |
| 0.25-3 | 47.8 | 4.2 | 19 | 61 | 19 | 15.2 | 38 |
| 5 | 114.4 | 6 | 20.5 | 128 | 34.7 | 21.5 | 44.5 |
Application應用領域
1.Reactor / 反應爐
2.Belt weighing / 輸送帶稱重裝置
Batching bin/配料倉
| Capacity量程 | 0-5T | Material材質 | Alloy steel合金鋼 Stainless steel不鏽鋼 |
| Rated Output輸出靈敏度 | 2.0±0.05mV/V | Impedance阻抗 | 350Ω |
| Zero Balance零點輸出 | ±1%F.S. | Insulation絕緣電阻 | ≧5000MΩ/100VDC |
| Non-Linearity非線性 | 0.03%F.S. | Voltage電壓 | 5-15v |
| Hysteresis滯後 | 0.03%F.S. | Operating Temp Range工作溫度範圍 | -20-80℃ |
| Repeatability重複性 | 0.02%F.S. | Safe Overload安全過載 | 150% |
| Creep(30min)蠕變(30分鐘) | 0.03%F.S. | Maximum overload極限過載 | 200% |
| Temp Effect on Output溫度靈敏度漂移 | 0.03%F.S./10℃ | Cable specifications電纜線規格 | Ø5x3m |
| Temp Effect on Zero零點溫度漂移 | 0.05%F.S./10℃ | Cable ultimate pull電纜極限拉力 | 10kg |
| Response frequency響應頻率 | 10kHz | TEDS | Can choose可選 |
TTM-X305

External Dimension外形尺寸
| Capacity (kg) |
| 150 250 500 1000 |
| Capacity (kg) |
| 2000 |
Parameters Table參數表
| Capacity量程 | 0-2000KG | Material材質 | Alloy steel合金鋼 |
| Rated Output輸出靈敏度 | 2.0±0.02mV/V | Impedance阻抗 | 350Ω |
| Zero Balance零點輸出 | ±1%F.S. | Insulation絕緣電阻 | ≧5000MΩ/100VDC |
| Non-Linearity非線性 | 0.03%F.S. | Voltage電壓 | 5-15v |
| Hysteresis滯後 | 0.03%F.S. | Operating Temp Range工作溫度範圍 | -20-60℃ |
| Repeatability重複性 | 0.03%F.S. | Safe Overload安全過載 | 150% |
| Creep(30min)蠕變(30分鐘) | 0.03%F.S. | Maximum overload極限過載 | 200% |
| Temp Effect on Output溫度靈敏度漂移 | 0.03%F.S./10℃ | Cable specifications電纜線規格 | Ø5X3m |
| Temp Effect on Zero零點溫度漂移 | 0.05%F.S./10℃ | Cable ultimate pull電纜極限拉力 | 10kg |
| Response frequency響應頻率 | 10kHz | TEDS | Can choose可選 |
TTM-X306
External Dimension外形尺寸
| Capacity (kg) |
| 60 100 200 350 |

| Capacity (kg) |
| 3 6 10 20 40 |

| Capacity (kg) |
| 60 100 200 350 500 |

| Capacity (kg) |
| 0.3 0.6 1 2 |
Parameters Table參數表
| Capacity量程 | 0-500kg | Material材質 | Aluminum alloy鋁合金 |
| Rated Output輸出靈敏度 | 2.0±0.05mV/V | Impedance阻抗 | 350Ω |
| Zero Balance零點輸出 | ±1%F.S. | Insulation絕緣電阻 | ≧5000MΩ/100VDC |
| Non-Linearity非線性 | 0.02%F.S. | Voltage電壓 | 5-15v |
| Hysteresis滯後 | 0.03%F.S. | Operating Temp Range工作溫度範圍 | -20-80℃ |
| Repeatability重複性 | 0.02%F.S. | Safe Overload安全過載 | 150% |
| Creep(30min)蠕變(30分鐘) | 0.03%F.S. | Maximum overload極限過載 | 200% |
| Temp Effect on Output溫度靈敏度漂移 | 0.03%F.S./10℃ | Cable specifications電纜線規格 | Ø5X3m |
| Temp Effect on Zero零點溫度漂移 | 0.03%F.S./10℃ | Cable ultimate pulluql電纜極限拉力 | 10kg |
| Response frequency響應頻率 | 10kHz | TEDS | Can choose可選 |
TTM-X307

External Dimension外形尺寸
| Capacity (kg) |
| 50 100 200 500 1000 |
| Capacity量程 | 50-1000kg | Material材質 | Alloy steel合金鋼 |
| Rated Output輸出靈敏度 | 2.0±0.05mV/V | Impedance阻抗 | 350Ω |
| Zero Balance零點輸出 | ±1%F.S. | Insulation絕緣電阻 | ≧5000MΩ/100VDC |
| Non-Linearity非線性 | 0.03%F.S. | Voltage電壓 | 5-15v |
| Hysteresis滯後 | 0.03%F.S. | Operating Temp Range工作溫度範圍 | -20-60℃ |
| Repeatability重複性 | 0.03%F.S. | Safe Overload安全過載 | 150% |
| Creep(30min)蠕變(30分鐘) | 0.03%F.S. | Maximum overload極限過載 | 200% |
| Temp Effect on Output溫度靈敏度漂移 | 0.03%F.S./10℃ | Cable specifications電纜線規格 | Ø5x3m |
| Temp Effect on Zero零點溫度漂移 | 0.05%F.S./10℃ | Cable ultimate pulluql電纜極限拉力 | 10kg |
| Response frequency響應頻率 | 10kHz | TEDS | Can choose可選 |
TTM-X309

External Dimension外形尺寸
| Capacity (KN) |
| 6 10 |
Capacity (kg)
| Capacity量程 | 0-10KN | Material材質 | Alloy steel合金鋼 |
| Rated Output輸出靈敏度 | 2.0±0.05mV/V | Impedance阻抗 | 350Ω |
| Zero Balance零點輸出 | ±1%F.S. | Insulation絕緣電阻 | ≧5000MΩ/100VDC |
| Non-Linearity非線性 | 0.05%F.S. | Voltage電壓 | 5-15v |
| Hysteresis滯後 | 0.05%F.S. | Operating Temp Range工作溫度範圍 | -20-80℃ |
| Repeatability重複性 | 0.05%F.S. | Safe Overload安全過載 | 120% |
| Creep(30min)蠕變(30分鐘) | 0.05%F.S. | Maximum overload極限過載 | 200% |
| Temp Effect on Output溫度靈敏度漂移 | 0.05%F.S./10℃ | Cable specifications電纜線規格 | Ø5x3m |
| Temp Effect on Zero零點溫度漂移 | 0.05%F.S./10℃ | Cable ultimate pulluql電纜極限拉力 | 10kg |
| Response frequency響應頻率 | 10kHz | TEDS | Can choose可選 |
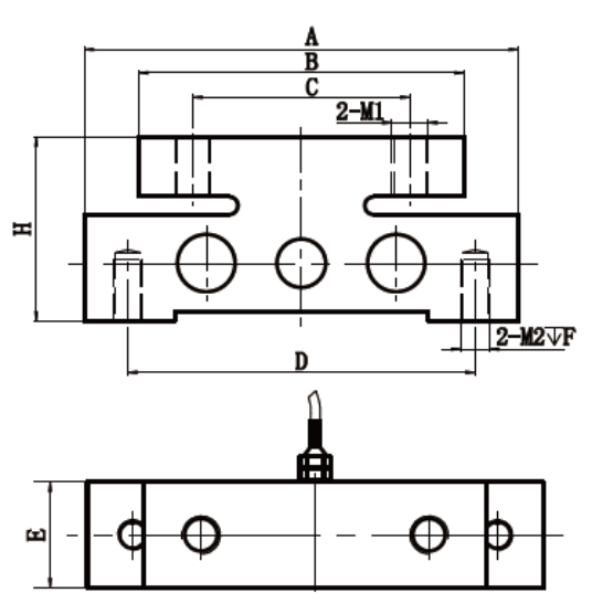
TTM-BW106
External Dimension外形尺寸
| Capacity / Dimension | A | B | C | D | E | F | G | H | Ø | Ø1 | Ø2 | Ø3 | Ø4 |
| 10-300KG | 123 | 13 | 18 | 82 | 43 | 54 | 20 | 20 | 45 | 8.2 | 27 | 32 | 8.2 |
| 500-1000KG | 123 | 13 | 18 | 82 | 43 | 54 | 20 | 20 | 45 | 10.5 | 27 | 32 | 10.5 |
| Capacity量程 | 0-1000KG | Material材質 | Alloy steel合金鋼 Stainless steel不鏽鋼 |
| Rated Output輸出靈敏度 | 2.0/3.0±0.05mV/V | Impedance阻抗 | 350Ω |
| Zero Balance零點輸出 | ±1%F.S. | Insulation絕緣電阻 | ≧5000MΩ/100VDC |
| Non-Linearity非線性 | 0.03%F.S. | Voltage電壓 | 5-15v |
| Hysteresis滯後 | 0.03%F.S. | Operating Temp Range工作溫度範圍 | -20-60℃ |
| Repeatability重複性 | 0.03%F.S. | Safe Overload安全過載 | 150% |
| Creep(30min)蠕變(30分鐘) | 0.03%F.S. | Maximum overload極限過載 | 200% |
| Temp Effect on Output溫度靈敏度漂移 | 0.05%F.S./10℃ | Cable specifications電纜線規格 | Ø5x3m |
| Temp Effect on Zero零點溫度漂移 | 0.05%F.S./10℃ | Cable ultimate pulluql電纜極限拉力 | 10kg |
| Response frequency響應頻率 | 10kHz | TEDS | Can choose可選 |
TTM-ZX001
External Dimension外形尺寸
| Capacity(T) | A | B | C | D | E | F | G | H | K | M |
| 2,3,5 | 50 | 180 | 66 | 27 | 4.5 | 6.5 | 32 | 7 | 9 | 3 |
| 7,10 | 60 | 190 | 96 | 14 | 10 | 9 | 33 | 9 | 9 | 5 |
| 10,15 | 65 | 210 | 116 | 14 | 10 | 9 | 32 | 9 | 8 | 5 |
| 20,30 | 80 | 225 | 109 | 20 | 12 | 11 | 40 | 10 | 8 | 6 |
| 40,50,100 | 120 | 275 | 153 | 25 | 14 | 13 | 51 | 15 | 12 | 6 |
| Capacity量程 | 0-100T | Material材質 | Alloy steel合金鋼 |
| Rated Output輸出靈敏度 | 1.0±0.05mV/V | Impedance阻抗 | 700±5Ω |
| Zero Balance零點輸出 | ±2%F.S. | Insulation絕緣電阻 | ≧5000MΩ/100VDC |
| Non-Linearity非線性 | 0.5%F.S. | Voltage電壓 | 5-15v |
| Hysteresis滯後 | 0.5%F.S. | Operating Temp Range工作溫度範圍 | -20-80℃ |
| Repeatability重複性 | 0.5%F.S. | Safe Overload安全過載 | 150% |
| Creep(30min)蠕變(30分鐘) | 0.5%F.S. | Maximum overload極限過載 | 300% |
| Temp Effect on Output溫度靈敏度漂移 | 0.05%F.S./10℃ | Cable specifications電纜線規格 | Ø5x3m |
| Temp Effect on Zero零點溫度漂移 | 0.05%F.S./10℃ | Cable ultimate pulluql電纜極限拉力 | 10kg |
| Response frequency響應頻率 | 10kHz | TEDS | Can choose可選 |
TTM-BH101
External Dimension外形尺寸
| Capacity | A | B | C | D | 2-ØE |
| 1-3T | 196 | 80 | 30 | 130 | 25 |
| 5-8T | 196 | 80 | 40 | 130 | 25 |
| 10-15T | 260 | 100 | 45 | 170 | 40 |
| 20-30T | 260 | 100 | 50 | 170 | 40 |
| 50T | 360 | 120 | 65 | 230 | 60 |
| 100T | 570 | 230 | 85 | 360 | 96 |
| Capacity量程 | 100T | Material材質 | Alloy steel合金鋼 |
| Rated Output輸出靈敏度 | 2.0±0.05mV/V | Impedance阻抗 | 350Ω |
| Zero Balance零點輸出 | ±1%F.S. | Insulation絕緣電阻 | ≧5000MΩ/100VDC |
| Non-Linearity非線性 | 0.3%F.S. | Voltage電壓 | 5-15v |
| Hysteresis滯後 | 0.3%F.S. | Operating Temp Range工作溫度範圍 | -20-60℃ |
| Repeatability重複性 | 0.1%F.S. | Safe Overload安全過載 | 150% |
| Creep(30min)蠕變(30分鐘) | 0.1%F.S. | Maximum overload極限過載 | 300% |
| Temp Effect on Output溫度靈敏度漂移 | 0.05%F.S./10℃ | Cable specifications電纜線規格 | Ø5x3m |
| Temp Effect on Zero零點溫度漂移 | 0.05%F.S./10℃ | Cable ultimate pulluql電纜極限拉力 | 10kg |
| Response frequency響應頻率 | 10kHz | TEDS | Can choose可選 |
TTM-Q101
External Dimension外形尺寸
| Capacity | A | B | C | D | E | H | M1 | M2 | F |
| 1-5T | 220 | 140 | 110 | 186 | 45 | 85 | M16 | M12 | 20 |
| 10-20T | 240 | 180 | 120 | 192 | 50 | 93 | M20 | M16 | 30 |
| 30T | 240 | 180 | 120 | 192 | 56 | 102 | M20 | M16 | 30 |
| Capacity量程 | 1-30T | Material材質 | Alloy steel合金鋼 |
| Rated Output輸出靈敏度 | 1.0±0.05mV/V | Impedance阻抗 | 700Ω |
| Zero Balance零點輸出 | ±1%F.S. | Insulation絕緣電阻 | ≧5000MΩ/100VDC |
| Non-Linearity非線性 | 0.2%F.S. | Voltage電壓 | 5-15v |
| Hysteresis滯後 | 0.2%F.S. | Operating Temp Range工作溫度範圍 | -20-60℃ |
| Repeatability重複性 | 0.1%F.S. | Safe Overload安全過載 | 150% |
| Creep(30min)蠕變(30分鐘) | 0.1%F.S. | Maximum overload極限過載 | 200% |
| Temp Effect on Output溫度靈敏度漂移 | 0.03%F.S./10℃ | Cable specifications電纜線規格 | Ø5x5m |
| Temp Effect on Zero零點溫度漂移 | 0.05%F.S./10℃ | Cable ultimate pulluql電纜極限拉力 | 10kg |
| Response frequency響應頻率 | 10kHz | TEDS | Can choose可選 |
TTM-C055
External Dimension外形尺寸
| Capacity | A | B | C | Ø1 | D | L | L1 | L2 |
| 1-5T | 350 | 310 | 38 | 17 | 75 | 152 | 100 | 40 |
| 2.5T | 410 | 355 | 50 | 21 | 100 | 182 | 130 | 60 |
| 4T | 410 | 355 | 50 | 21 | 100 | 212 | 160 | 60 |
| 10-20T | 410 | 355 | 50 | 21 | 100 | 212 | 160 | 60 |
| Capacity量程 | 0-20T | Material材質 | Alloy steel合金鋼 |
| Rated Output輸出靈敏度 | 1.0±0.05mV/V | Impedance阻抗 | 350/750±5Ω |
| Zero Balance零點輸出 | ±2%F.S. | Insulation絕緣電阻 | ≧5000MΩ/100VDC |
| Non-Linearity非線性 | 0.5%F.S. | Voltage電壓 | 5-15v |
| Hysteresis滯後 | 0.5%F.S. | Operating Temp Range工作溫度範圍 | -20-80℃ |
| Repeatability重複性 | 0.5%F.S. | Safe Overload安全過載 | 150% |
| Creep(30min)蠕變(30分鐘) | 0.5%F.S. | Maximum overload極限過載 | 300% |
| Temp Effect on Output溫度靈敏度漂移 | 0.05%F.S./10℃ | Cable specifications電纜線規格 | Ø5x3m |
| Temp Effect on Zero零點溫度漂移 | 0.05%F.S./10℃ | Cable ultimate pulluql電纜極限拉力 | 10kg |
| Response frequency響應頻率 | 10kHz | TEDS | Can choose可選 |











