MICROsensor
微型傳感器
Application應用範圍
- 3C digital detection
- Booster device
- Manipulator
- 3C數位檢測
- 助力裝置
- 機械手臂

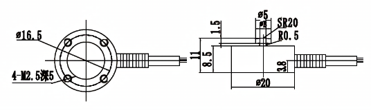
TTM-HW108

External Dimension外形尺寸
| Capacity(KG) | Ø |
| 3-50 | 1.5 |
| 100-200 | 3.5 |
Parameters Table參數表
| Capacity量程 | 1-100KG | Material材質 | Stainless steel不鏽鋼 |
| Rated Output輸出靈敏度 | 3-5KG:0.5-1.0mV/V 10-100KG:1.0-1.5mV/V |
Impedance阻抗 | 350Ω |
| Zero Balance零點輸出 | ±2%F.S. | Insulation絕緣電阻 | ≧5000MΩ/100VDC |
| Non-Linearity非線性 | 0.5%F.S. | Voltage電壓 | 5-10v |
| Hysteresis滯後 | 0.3%F.S. | Operating Temp Range工作溫度範圍 | -20-80℃ |
| Repeatability重複性 | 0.3%F.S. | Safe Overload安全過載 | 120% |
| Creep(30min)蠕變(30分鐘) | 0.2%F.S. | Maximum overload極限過載 | 150% |
| Temp Effect on Output溫度靈敏度漂移 | 0.5%F.S./10℃ | Cable specifications電纜線規格 | Ø2x1m |
| Temp Effect on Zero零點溫度漂移 | 0.5%F.S./10℃ | Cable ultimate pull電纜極限拉力 | 10kg |
| Response frequency響應頻率 | 10kHz | TEDS | Can choose可選 |
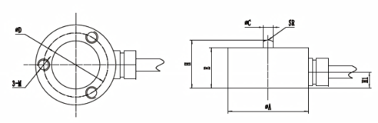
TTM-HW110

External Dimension外形尺寸

| Capacity(KG) | 5-10 | 20-30 | 50-100 |
| Ø | 1.5 | 2 | 2.5 |
Parameters Table參數表
| Capacity量程 | 1-100KG | Material材質 | Stainless steel不鏽鋼 |
| Rated Output輸出靈敏度 | 1.0-2.0mV/V | Impedance阻抗 | 350/500Ω |
| Zero Balance零點輸出 | ±2%F.S. | Insulation絕緣電阻 | ≧5000MΩ/100VDC |
| Non-Linearity非線性 | 0.5%F.S. | Voltage電壓 | 5-10v |
| Hysteresis滯後 | 0.5%F.S. | Operating Temp Range工作溫度範圍 | -20-80℃ |
| Repeatability重複性 | 0.3%F.S. | Safe Overload安全過載 | 120% |
| Creep(30min)蠕變(30分鐘) | 0.1%F.S. | Maximum overload極限過載 | 200% |
| Temp Effect on Output溫度靈敏度漂移 | 0.5%F.S./10℃ | Cable specifications電纜線規格 | Ø2x1m |
| Temp Effect on Zero零點溫度漂移 | 0.5%F.S./10℃ | Cable ultimate pull電纜極限拉力 | 10kg |
| Response frequency響應頻率 | 10kHz | TEDS | Can choose可選 |
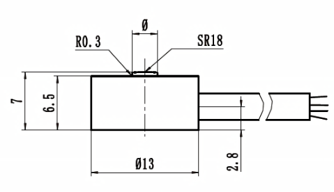
TTM-HW113

External Dimension外形尺寸
| Capacity | Ø |
| 5-20KG | Ø-2 |
| 30-200KG | Ø-3 |
Parameters Table參數表
| Capacity量程 | 1-100KG | Material材質 | Stainless steel不鏽鋼 |
| Rated Output輸出靈敏度 | 1.0-2.0mV/V | Impedance阻抗 | 500/1000Ω |
| Zero Balance零點輸出 | ±2%F.S. | Insulation絕緣電阻 | ≧5000MΩ/100VDC |
| Non-Linearity非線性 | 0.5%F.S. | Voltage電壓 | 5-10v |
| Hysteresis滯後 | 0.5%F.S. | Operating Temp Range工作溫度範圍 | -20-80℃ |
| Repeatability重複性 | 0.3%F.S. | Safe Overload安全過載 | 150% |
| Creep(30min)蠕變(30分鐘) | 0.1%F.S. | Maximum overload極限過載 | 200% |
| Temp Effect on Output溫度靈敏度漂移 | 0.5%F.S./10℃ | Cable specifications電纜線規格 | Ø2x1m |
| Temp Effect on Zero零點溫度漂移 | 0.05%F.S./10℃ | Cable ultimate pull電纜極限拉力 | 10kg |
| Response frequency響應頻率 | 10kHz | TEDS | Can choose可選 |
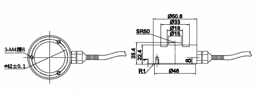
TTM-HW116

External Dimension外形尺寸
| Capacity | 0-10T |
| Capacity | ØA | ØC | ØD | H | E | M | H1 | SR |
| 3-200KG | 20 | 2.5 | 15.5 | 12 | 10 | M3 | 4 | 2 |
| 300-500KG | 26 | 5 | 18.5 | 15 | 11.5 | M4 | 5 | 6 |
| 1-2T | 26 | 5 | 18.5 | 15 | 12.5 | M4 | 5.5 | 20 |
| 3-5T | 37.7 | 10.8 | 31 | 15.5 | 14 | M2.5 | 4 | 50 |
Capacity
Parameters Table參數表
| Capacity量程 | 0-10T | Material材質 | Stainless steel不鏽鋼 |
| Rated Output輸出靈敏度 | 1.0-2.0mV/V | Impedance阻抗 | 700/1000Ω |
| Zero Balance零點輸出 | ±1%F.S. | Insulation絕緣電阻 | ≧5000MΩ/100VDC |
| Non-Linearity非線性 | 0.3%F.S. | Voltage電壓 | 5-10v |
| Hysteresis滯後 | 0.3%F.S. | Operating Temp Range工作溫度範圍 | -20-80℃ |
| Repeatability重複性 | 0.3%F.S. | Safe Overload安全過載 | 150% |
| Creep(30min)蠕變(30分鐘) | 0.1%F.S. | Maximum overload極限過載 | 200% |
| Temp Effect on Output溫度靈敏度漂移 | 0.3%F.S./10℃ | Cable specifications電纜線規格 | Ø3x2m Ø5x2m(10T) |
| Temp Effect on Zero零點溫度漂移 | 0.3%F.S./10℃ | Cable ultimate pull電纜極限拉力 | 10kg |
| Response frequency響應頻率 | 10kHz | TEDS | Can choose可選 |
TTM-HW120

External Dimension外形尺寸
| Capacity | 500-1000 | 1500-200 |
| D | 3.8 | 3 |

| Capacity | 5 | 10-50 | 100-200 |
| B | 2 | 2.5 | 3 |
Parameters Table參數表
| Capacity量程 | 0-1000KG | Material材質 | Stainless steel不鏽鋼 |
| Rated Output輸出靈敏度 | 1.0-2.0mV/V | Impedance阻抗 | 1000Ω |
| Zero Balance零點輸出 | ±2%F.S. | Insulation絕緣電阻 | ≧5000MΩ/100VDC |
| Non-Linearity非線性 | 0.3%F.S. | Voltage電壓 | 5-10v |
| Hysteresis滯後 | 0.3%F.S. | Operating Temp Range工作溫度範圍 | -20-80℃ |
| Repeatability重複性 | 0.1%F.S. | Safe Overload安全過載 | 150% |
| Creep(30min)蠕變(30分鐘) | 0.05%F.S. | Maximum overload極限過載 | 200% |
| Temp Effect on Output溫度靈敏度漂移 | 0.3%F.S./10℃ | Cable specifications電纜線規格 | Ø3x2m |
| Temp Effect on Zero零點溫度漂移 | 0.3%F.S./10℃ | Cable ultimate pull電纜極限拉力 | 10kg |
| Response frequency響應頻率 | 10kHz | TEDS | Can choose可選 |









